Full House Rewiring in Greater Manchester
J. Maybury & Sons Electrical Services
Outdated or unsafe electrical wiring can put both your property and the people inside it at risk. If your home no longer meets modern electrical standards, a full house rewiring service provides a long-term, compliant solution.
J. Maybury & Sons Electrical Services carries out professional domestic rewires across Manchester and the wider Greater Manchester area, ensuring your electrics are safe, reliable, and ready for modern use.
👉 Free surveys | Local electricians | Certified rewiring work
Our Contact
Please feel free to contact us. We’ll get back to you ASAP.
Local Specialists for House Rewiring in Manchester
- Manchester City Centre
- Salford & Eccles
- Didsbury & Chorlton
- Stockport
- Trafford
- Oldham
- Bolton
- Rochdale
- Surrounding Greater Manchester locations
From period homes with ageing wiring to properties undergoing refurbishment, we tailor each rewire to suit the building and the client’s future electrical needs.
When Should a House Be Rewired?
- Your wiring is over 30 years old
- Cables have rubber, fabric, or lead insulation
- There are not enough sockets for modern usage
- Lights dim or circuits trip unexpectedly
- An EICR has highlighted safety concerns
- You are renovating or modernising the property
- The existing consumer unit is incompatible with current standards
We can assess your electrics and explain your options clearly before any work begins.
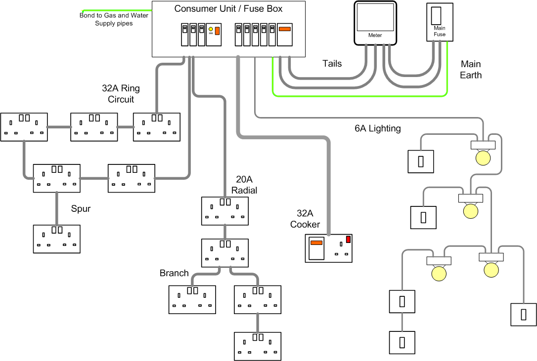
What’s Included in a Full House Rewire?
- Safe removal of outdated wiring
- Installation of new electrical cabling
- Replacement of sockets, switches, and fittings
- Improved earthing and bonding
- Upgrade to a modern consumer unit where required
- Comprehensive testing and certification
All work is planned carefully to minimise disruption and ensure a high-quality finish.
Why Invest in a Full House Rewire?
- Modern electrical safety protection
- Reduced risk of faults and electrical fires
- Compliance with current wiring regulations
- Improved functionality for modern living
- Increased appeal for buyers and tenants
- Long-term peace of mind
A professional rewire ensures your electrical system will perform safely for years to come.
Our Rewiring Process
- Initial electrical survey and assessment
- Clear explanation of findings and recommendations
- Detailed quotation and agreed schedule
- Installation of new wiring throughout the property
- Final inspection, testing, and verification
- Issue of an Electrical Installation Certificate
We treat your home with care and keep you informed at every stage.
How Long Does a Full House Rewire Take?
Timeframes vary depending on property size and layout. Most full house rewires are completed within one to two weeks.
Work is often carried out while properties are vacant or during refurbishment projects, but we can also accommodate occupied homes where required.
Fully Compliant & Certified Rewiring Work
- Installed in line with BS 7671 regulations
- Fully tested and certified
- Notified to Building Control under Part P
- Carried out by qualified and insured electricians
All documentation is provided on completion.
House Rewire Costs in Manchester
- Size and age of the property
- Number of circuits and accessories
- Complexity of the installation
- Specification of fittings
We offer free site surveys and clear, upfront quotations with no hidden charges.
Why Choose J. Maybury & Sons Electrical Services?
- Established local electricians
- Extensive experience with older homes
- High standards of workmanship
- Quality materials used throughout
- Honest, practical advice
- Strong local reputation
We focus on safe, professional electrical work you can rely on.
Book a Full House Rewire in Manchester
If you’re upgrading an older property, planning renovations, or concerned about electrical safety, speak to J. Maybury & Sons Electrical Services today.
📞 Call to arrange a free survey
📩 Request your no-obligation quote online
Safe wiring starts with the right electricians.
Full House Rewiring FAQs – Manchester & Greater Manchester
A full house rewire involves replacing all existing electrical cables and upgrading sockets, switches, lighting points, and safety components. The goal is to bring the entire electrical system up to current UK safety standards and make it suitable for modern electrical demand.
Most homes should be considered for rewiring every 25–30 years, depending on the type of wiring installed and how heavily the electrical system has been used. Older properties in Manchester often require rewiring sooner due to outdated materials.
Yes, a property can be rewired while occupied, although it can be disruptive. Many customers choose to schedule rewiring during renovations or when the property is empty. J. Maybury & Sons Electrical Services will discuss the best approach for your situation.
Some access to walls and ceilings is usually required to install new wiring. We keep disruption to a minimum and work carefully, but minor making-good work may be needed afterwards. This is discussed clearly before the project starts.
New sockets and switches are normally installed as part of a rewire, as older accessories may not be compatible with new wiring. You can choose the style and finish to suit your property.
In most cases, yes. A modern consumer unit is often installed to ensure full compliance with current regulations and to provide proper protection for the new circuits.
We recommend clearing access to walls, floors, and loft spaces where possible. Furniture may need to be moved, and carpets lifted in certain areas. We’ll guide you through preparation so there are no surprises.
Yes. Once the work is complete, J. Maybury & Sons Electrical Services issues a full Electrical Installation Certificate, confirming the system has been tested and complies with current regulations.
Rewiring is not automatically required when selling or buying a property. However, issues identified during an EICR or survey may result in a rewire being strongly recommended to meet safety expectations.
Rewiring is a significant job and will involve temporary power interruptions and access to multiple rooms. We plan work carefully to reduce inconvenience and keep you informed throughout the process.
Yes. If only certain areas of a property need updating, we can carry out partial rewires or targeted electrical upgrades. We’ll always recommend the safest and most cost-effective solution.
Simply contact J. Maybury & Sons Electrical Services to arrange a free survey. We’ll assess your property, explain your options, and provide a clear, no-obligation quotation.
